
|
UNIVERSIDADE FEDERAL
DO RIO DE JANEIRO
DEPARTAMENTO DE ENGENHARIA
ELETRÔNICA
TRABALHO FINAL DE REDES I
TEMA: MODULAÇÃO
ALUNA: Maria Moura
Malburg
DRE: 099138272
DATA: 04 de novembro
de 2004
|
|
1) Introdução
2) PSK Phase Shift Keying
- BPSK Binary Phase Shift Keying
- QPSK Quadrature Phase Shift Keying
3) QAM Quadrature Amplitude Modulation
4) FSK Frequency Shift Keying
- GFSK Gaussian Frequency Shift Keying
5) Espalhamento de Espectro
- DSSS - Direct Sequence Spread Spectrum
- FHSS - Frequency Hopping Spread Spectrum
6) CCK - Complementary Code Keying
7) OFDM Orthogonal Frequency Division
Multiplex
8) Exemplo: O padrão 802.11
9) Conclusão
10) Bibliografia
|
|
Num sistema de transmissão de dados,
seja ele digital ou analógico, com ou sem
fio, precisam-se utilizar formas de inserir as informações úteis em um sinal de
Rádio Freqüência, chamado de onda portadora, que será o veículo de transporte
da informação de um ponto a outro. Estas formas de inserção de informação
em
um sinal são chamadas de modulação, e permite que esta informação seja
transportada embutida nos parâmetros de amplitude, freqüência ou fase da
portadora.
Como atualmente existe uma enorme variedade
de técnicas de modulação,
muitas das quais são exaustivamente estudas em disciplinas obrigatórias ao
longo do curso de Engenharia Eletrônica, neste trabalho serão abordadas apenas
algumas das técnicas atuais de modulação que são mais relevantes para os
temas abordados ao longo da disciplina Redes de Computadores I.
Nas modulações digitais, os
bits do sinal de informação são codificados através
de símbolos. A modulação é responsável por mapear cada possível seqüência
de
bits de um comprimento preestabelecido em um símbolo determinado. O conjunto
de símbolos gerado por uma modulação é chamado de constelação, sendo que
cada tipo de modulação gera uma constelação de símbolos diferentes. Os
símbolos nos quais as seqüências de bits de um sinal de informação são
transformadas é que serão transmitidos pela onda portadora.
A seguir, serão ilustradas algumas
técnicas de modulação bem como algumas
vantagens que estas possam proporcionar.
|
|
|
|
|
O PSK é uma forma de modulação
em que a informação do sinal digital é
embutida nos parâmetros de fase da portadora. Neste sistema de modulação,
quando há uma transição de um bit 0 para um bit 1 ou de um bit 1 para um bit 0, a
onda portadora sofre uma alteração de fase de 180 graus. Esta forma de
particular do PSK é chamada de BPSK (Binary Phase Shift Keying). Quando não
há nenhuma destas transições, ou seja, quando bits subseqüentes são iguais,
a
portadora continua a ser transmitida com a mesma fase.
Esta variação de fase em função
da transição de bit do sinal é ilustrada na figura a
seguir:
|
|
A modulação QPSK é uma
técnica de modulação derivada do PSK, porém neste
caso, são utilizados parâmetros de fase e quadratura da onda portadora para
modular o sinal de informação. Como agora são utilizados dois parâmetros,
existem mais tipos possíveis de símbolos nesta constelação, o que permite que
sejam transmitidos mais bits por símbolo. Por exemplo, se quisermos transmitir 2
bits por símbolo, ao invés de 1 bit por símbolo como no caso PSK acima, neste
caso, como teremos 4 tipos de símbolos possíveis, a portadora pode assumir 4
valores de fase diferentes, cada um deles correspondendo a um dibit, como por
exemplo 45o, 135o, 225o e 315o. A figura abaixo
ilustra em um diagrama de fase
e quadratura (IQ) os 4 possíveis símbolos gerados pela modulação QPSK usando
2 bits por símbolo.
|
|
A modulação DQPSK é uma
forma particular da modulação QPSK, na qual ao
invés de ser enviado um símbolo correspondente a um parâmetro puro de fase,
este símbolo representa uma variação de fase. Neste caso, cada conjunto de bits
representado por um símbolo provoca uma variação de fase determinada no sinal
da portadora. Para o caso de 2 bits por símbolo, cada dibit provoca uma mudança
de fase como indicado na tabela a seguir:
|
DIBIT
|
Mudança
de fase
|
|
00
|
+ 0o
|
|
01
|
+ 90o
|
|
10
|
+ 180o
|
|
11
|
+270o
|
Assim, as seguintes variações
de fase são possíveis, em função do dibit recebido:
Adicionalmente, para se diminuir o espectro
de freqüência do sinal transmitido, os
bits podem passar por um filtro antes de entrarem no modulador, para que a
transição entre os bits seja suavizada. As figuras abaixo mostram a diferença do
espectro de freqüência do sinal QPSK com e sem o uso de filtro antes da
modulação.
Como observado nestas figuras, o uso de
filtros antes do modulador permite se
obter uma melhor eficiência espectral na modulação DQPSK. Esta modulação é
bastante utilizada em diversos sistemas de transmissão aérea, em associação
com outras técnicas de modulação como a CCK, que será explicada mais
adiante.
|
|
|
|
|
Nesta forma de modulação, os
símbolos são mapeados em um diagrama de fase
e quadratura, sendo que cada símbolo apresenta uma distância específica da
origem do diagrama que representa a sua amplitude, diferentemente da
modulação PSK, na qual todos os símbolos estão a igual distância da origem.
Isto
significa que as informações são inseridas nos parâmetros de amplitude e
quadratura da onda portadora.
No caso do 16 QAM, a constelação
apresenta 16 símbolos, sendo 4 em cada
quadrante do diagrama, o que significa que cada símbolo representa 4 bits.
Podemos ter também, por exemplo, o modo 64 QAM, cuja constelação apresenta
64 símbolos, cada um deles representando 6 bits. A figura abaixo mostra as
constelações geradas pelos dois modos QAM mencionados acima:
Pode-se notar que no modo 16QAM alcança-se
uma taxa de transmissão menor
do que no modo 64 QAM, uma vez que cada símbolo transporta um número menor
de bits. No entanto, no modo 16 QAM, a distância euclidiana entre os símbolos é
maior do que no caso do modo 64QAM. Isto permite que o modo 16QAM
possibilite uma melhor qualidade de serviço (QoS), pois a maior distância entre
os símbolos dificulta erros de interpretação no receptor quando este detecta um
símbolo.
|
|
|
|
|
A modulação FSK atribui freqüências
diferentes para a portadora em função do
bit que é transmitido. Portanto, quando um bit 0 é transmitido, a portadora assume
uma freqüência correspondente a um bit 0 durante o período de duração de um
bit. Quando um bit 1 é transmitido, a freqüência da portadora é modificada para
um valor correspondente a um bit 1 e analogamente, permanece nesta freqüência
durante o período de duração de 1 bit, como mostrado na figura a seguir.
Alternativamente, podem-se, por exemplo,
utilizar 4 freqüências de transmissão
diferentes, cada uma delas correspondendo a 2 bits. Este modo é chamado de
4FSK. Isto aumentaria a taxa de bits transmitidos, mas em contrapartida aumenta
também a banda de freqüência de transmissão utilizada.
A modulação FSK apresenta o
inconveniente de ocupar uma banda de freqüência
bastante alta, devido a estas variações bruscas de freqüência em função
da
transição de bits, além possibilitar taxas de transmissão relativamente baixas.
|
|
No GFSK os dados são codificados
na forma de variações de freqüência em uma
portadora, de maneira similar à modulação FSK. Portanto, o modulador utilizado
pode ser o mesmo que para a modulação FSK. Todavia, antes dos pulsos
entrarem no modulador, eles passam por um filtro gaussiano, de modo a reduzir a
largura espectral dos mesmos. O filtro gaussiano é uma espécie de formatador de
pulso que serve para suavizar a transição entre os valores dos pulsos. A figura
abaixo ilustra a transformação dos pulsos após passarem pelo filtro gaussiano.
A modulação GFSK é utilizada
nos sistemas Bluetooth, uma vez que provê uma
melhor eficiência espectral em relação à modulação FSK.
|
|
O principio das técnicas de modulação
usando espalhamento espectral é
aumentar a quantidade de bits utilizados para transmitir uma mesma informação,
de modo espalhar o espectro de freqüência do sinal. Desta forma, aumenta-se a
banda de freqüência na qual o sinal é transmitido. Normalmente, utiliza-se um
código de espalhamento que é multiplicado pelos bits de informação. Os códigos
de espalhamento são muito usados em transmissões digitais, principalmente em
WLANs, uma vez que, pelo fato de espalharem o sinal na freqüência,
proporcionam uma série de vantagens que melhoram consideravelmente a
performance de transmissão. Estas vantagens são:
- Imunidade com relação a ruídos e interferências
- Imunidade a distorções devido a multipercursos
- Imunidade a interferências e de desvanecimentos de banda estreita
- Diversos usuários podem compartilhar a mesma banda de freqüência,
com
baixa interferência
- Podem ser usados para a criptografação dos sinais
A seguir, suas técnicas de espalhamento
espectral serão mais detalhadamente
analisadas.
|
|
De acordo com esta técnica de espalhamento,
os bits de informação são
multiplicados por uma seqüência de espalhamento chamada de seqüência de
Barker de 11 chips que é dada por (1 0 1 1 0 1 1 1 0 0 0). Desta forma, por
exemplo, em um dos modos de DSSS utilizados, tem-se que cada bit do sinal
original passa a ser representado no sinal a ser transmitido por 11 chips. Esta
modulação aumenta a banda de freqüência ocupada pelo sinal, o que significa o
espalhamento deste sinal na freqüência.
A figura abaixo mostra o como é feito
o espalhamento do sinal no tempo:
Agora veremos o resultado do espalhamento
espectral comparando o espectro de
freqüência do sinal original e seu espectro após o espalhamento.
Após ser espalhado, o sinal é
modulado em uma portadora. Normalmente, são
usados dois esquemas de modulação para DSSS, que são o DBPSK (Differential
Binary Phase Shift Keying) que permite uma taxa de 1Mbps e o uso de DQPSK
(Differential Quadrature Phase Shift Keying) que permite uma taxa de 2Mbps.
|
|
O Frequency Hopping baseia-se na rápida
variação da freqüência de transmissão
do sinal em um padrão pseudoaleatório, sendo que cada freqüência é utilizada
para a transmissão somente durante um intervalo de tempo muito curto, chamado
de tempo de permanência (dwell time). Este tempo de permanência pode ser
ajustado e deve ser menor do que 400 ms. A rápida variação da freqüência de
transmissão é chamada de saltos freqüência. Estes saltos são determinados por
um gerador de números pseudoaleatórios instalado em cada uma das estações
do sistema, onde cada número pseudoaleatório corresponde a uma freqüência,
como ilustrado na figura abaixo.

Portanto, para que este sistema funcione, é necessário que todas as suas
estações estejam sincronizadas e funcionando simultaneamente com a mesma
seqüência pseudoaleatória de freqüências, para que possa haver compatibilidade
entre elas. Isto é possível se os geradores de números pseudoaleatórios de todas
elas utilizarem a mesma semente, pois desta forma, a seqüência pseudoaleatória
gerada em cada uma delas será a mesma.
É possível que dois sistemas
de FH utilizem uma mesma banda de freqüência,
pois se eles forem configurados para utilizarem seqüências de hopping diferentes,
isto impedirá que ocorra interferência entre eles.
Para realizar esta variação
de freqüências, o FH utiliza 79 canais de 1 MHz de
largura. O diagrama espectral do FHSS é parcialmente ilustrado na figura abaixo.
O FH utiliza modulação GFSK,
sendo 2GFSK para a taxa de 1Mbps e 4GFSK
para uma taxa de 2Mbps. Adicionalmente, o FHSS provê segurança na
transmissão de dados, uma vez que é necessário conhecer-se tanto a seqüência
pseudoaleatória que determina os saltos de freqüência, bem como o tempo de
permanência em cada freqüência, para que se possa escutar inadvertidamente a
conversação entre duas estações que utilizem FHSS.
|
|
A modulação CCK é uma forma
de espalhamento espectral utilizando códigos
complementares binários. Portanto, para se entender a modulação CCK, precisa-
se primeiramente saber o que são os códigos complementares binários.
Os códigos binários complementares
são seqüências de mesmo comprimento,
sendo que o número de pares de elementos iguais com uma separação
determinada dentro de uma seqüência é igual ao número de pares de elementos
diferentes com esta mesma separação dentro da seqüência complementar e vice-
versa. Seqüências complementares possuem autocorrelação nula.
Os códigos complementares binários
são um subgrupo dos códigos polifásicos
que também são seqüências com propriedades complementares, de modo
similar aos códigos complementares descritos acima, porém seus elementos
possuem parâmetros de fase que podem variar entre os elementos do conjunto {1,
-1, j, -j}.
Um exemplo de seqüência de código
complementar será ilustrado a seguir:
A seqüência complementar binária
inclui normalmente 8 bits (d7, d6, d5, d4, d3,
d2, d1, d0) e é utilizada para a geração de uma palavra código complexa obtida
pela fórmula:
Como pode ser visto, esta palavra código
complexa compreende 8 elementos, os
quais são denominados de chips. Estes chips são definidos pelos parâmetros de
fase φ1 a φ4, os quais são
determinados pelos bits da seqüência complementar
binária, como ilustrado na tabela abaixo:
No caso do sistema CCK, a codificação
destes parâmetros de fase é feita com
base na modulação DQPSK, de modo que os seguintes resultados são obtidos:
É importante notar que, utilizando-se
a modulação ilustrada na tabela acima para
os parâmetros de fase φ1 a φ4, e aplicando seus valores correspondentes à
fórmula de geração da palavra código mencionada anteriormente, os únicos
valores possíveis para os chips da palavra código são {1, -1, j , -j }.
Portanto, cada 8 bits de seqüência
de código complementar recebidos no
modulador de banda-base são
utilizados para modular as fases φ1 a φ4 e em
seguida formar a palavra código complexa
constituída de {1, -1, j , -j}
correspondente a esta seqüência.
Analizando-se a formula da palavra código,
podemos notar que o primeiro termo
de fase φ1 é utilizado em todos os termos desta palavra, o que significa
que ele
serve basicamente para realizar uma rotação correspondente à fase que ele
codifica na palavra código complexa.
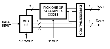
Em seguida, este código é utilizado
para modular a onda portadora e espalhar o
sinal de informações a ser transmitido da seguinte forma: a saída de um
embaralhador (scrambler) de bits de dados entra em um modulador através de um
multiplexador 1:8 de entrada serial e saída paralela, de modo que cada grupo de 8
bits é modulado separadamente. Destes 8 bits, os seis últimos e mais
significativos são utilizados para selecionar uma dentre um conjunto de 64
palavras código complexas de 8 chips.
A palavra selecionada é em seguida
alimentada a um modulador diferencial.
Enquanto isso, os dois primeiros e menos significativos bits de dados que entram
no multiplexador são utilizados para realizar uma rotação de fase da palavra
código complexa selecionada, fazendo uma espécie de modulação QPSK desta
palavra código complexa. As saídas deste modulador são os termos de fase e
quadratura da palabra código após a rotação. Estes símbolos são transmitidos
através de uma única portadora.
Portanto, pode-se observar que 6 bits
de dados foram espalhados em 8 chips de
uma palavra código, e 2 bits adicionais são enviados na forma de modulação
QPSK desta palavra código. Dessa forma, cada símbolo CCK é formado por 8
bits. A taxa de chipping do CCK é 11 Mchip/s, o que resulta em uma taxa de
11Mbps ou 1,375 MS/s.
A modulação CCK também
pode ser feita no modo 5,5Mbps, em que são
utilizados 4 bits por símbolos.
|
|
A modulação OFDM utiliza diversas
portadoras ortogonais para transmitir um
sinal. Mas antes de ser modulado na portadora, este sinal passa por diversas
etapas de processamento que melhoram ainda mais a performance alcançada
pelo OFDM.
Primeiro, os dados são submetidos
a sistemas de proteção de erro que são a
inserção de um código corretor de erros como por exemplo o Reed- Solomon e
embaralhamento (scrambling), em que os bits de um mesmo byte são todos
misturados.
Em seguida, os bits passam por um processo
de entrelaçamento ou interleaving,
no qual eles são reorganizados de modo que bits subseqüentes passam a ser
separados no tempo. Desta forma, a informação torna-se mais imune a erros do
tipo rajada (erros de burst), que atingem bits subseqüentes, pois após este
processamento, estes erros passam a atingir bits pertencentes a diversos bytes
diferentes, que estão muito distantes na informação original. Isto torna mais fácil
a
recuperação do sinal original no receptor.
No processo de modulação OFDM,
diversas portadoras em freqüências
diferentes são utilizadas para modular o sinal digital, sendo que cada portadora
transporta apenas alguns bits do sinal original após passar pelos processos de
interleaving, embaralhamento e incluir códigos de correção de erro. Estas
portadoras são ortogonais entre si, para evitar que haja interferência entre elas.
Isso significa que o espaçamento entre as portadoras é igual ao inverso da
duração de um símbolo. A figura abaixo mostra como as portadoras são
separadas no tempo e na freqüência. As portadoras são ilustradas com cores
diferentes mostrando que pedaços de um mesmo bit são transmitidos por
portadoras distantes entre si tanto no tempo como na freqüência.

Normalmente, nos sistemas de TV digital,
por exemplo, são utilizadas 2000 ou
8000 portadoras. Estas portadoras podem ser moduladas utilizando, por exemplo,
QPSK, 16 QAM ou 64 QAM. Desta forma, cada portadora pode transportar uma
taxa relativamente baixa de bits. Além disso, como cada parte do sinal é
transportada por uma portadora em uma freqüência diferente, isso permite
também imunidade ao sinal quanto à interferência em freqüências específicas,
uma vez que somente uma pequena quantidade de bits serão atingidos, os quais
estão bem distantes no sinal original.
A figura abaixo é um fluxograma das
etapas de processamento de sinais às quais
o sinal de informação é submetido quando da modulação OFDM.
Os símbolos modulados em QAM ou QPSK
são apenas representações das suas
posições espaciais na constelação de símbolos no domínio da freqüência.
Fazendo-se a IDFT destes símbolos, eles são colocados no domínio do tempo em
portadoras ortogonais. Ao receber o sinal, o receptor deve apenas fazer a DFT
dos blocos de sinal recebidos, para obter o sinal enviado.
Quando os sinais são modulados nas
portadoras, são ainda inseridos intervalos
de guarda entre os bits, ou seja, há um pequeno intervalo de tempo entre a
informação útil de um bit e a informação útil do bit seguinte. O novo
posicionamento das portadoras no tempo devido à inserção do intervalo de
guarda é claramente ilustrado na figura que segue.
Este
processo reduz a taxa de bits de cada portadora, mas por outro lado
proporciona uma maior robustez ao sinal com relação a ecos e multipercursos.
Por exemplo, em ambientes bastante montanhosos ou com muitas
edificações, é comum que o receptor receba reflexões do sinal com certo
atraso. O intervalo de guarda evita a interferência entre símbolos.
Como pode ser observado, a modulação
OFDM exige uma quantidade
considerável de processamento de sinais. No entanto, ela mostra-se bastante
eficiente e robusta em diversos parâmetros de transmissão e, por conta disso, ela
é muito usada em diversos sistemas de transmissão aérea, apesar de ocupar
uma banda de freqüência bastante larga.
|
|
O 802.11 é o padrão utilizado
para redes WLAN. A seguir, será brevemente
analisado um exemplo de aplicação de algumas das modulações descritas ao
longo do trabalho neste padrão de transmissão.
Atualmente, considera-se uma boa opção
para os novos padrões 802.11, tal
como o 802.11g o uso da modulação CCK associada à modulação OFDM. Neste
caso particular, a modulação CCK é utilizada no preâmbulo ou cabeçalho dos
pacotes de daos e a modulação OFDM é aplicada ao resto das informações
úteis.
Este processo é chamado de híbrido,
por utilizar os dois tipos de modulação e é
utilizado da seguinte forma:
Quando um aparelho Wi-Fi em serviço
entra em operação e começa a enviar um
pacote de dados, o cabeçalho CCK faz com que todos os aparelhos Wi-Fi sejam
informados de que uma transmissão está começando e principalmente de qual
será a duração em ms desta transmissão. Mesmo os aparelhos Wi-Fi aos quais
esta informação não é destinada ficam informados a respeito da duração
desta
transmissão e, durante este intervalo de tempo, eles não iniciam uma tentativa de
transmissão. A seguir, a informação útil é enviada modulada em OFDM, pois a
modulação OFDM possibilita uma transmissão a taxas muito mais altas do que a
modulação CCK.
Este processo híbrido evita a ocorrência
de colisões (CSMA/CA), uma vez que
todos os aparelhos ficam informados de que algum outro aparelho irá transmitir e
também da duração desta transmissão, e ao mesmo tempo permite que
aparelhos do padrão 802.11g utilizando OFDM para a transmissão de informação
útil possam ser compatíveis com o padrão 802.11b que utiliza essencialmente a
modulação CCK.
Inicialmente, o uso deste sistema provoca
um aumento de overhead em relação
ao sistema usando modulação OFDM pura, uma vez que o preâmbulo CCK é
mais longo do que o OFDM. Mas este aumento é compensado pelo fato de que
este sistema também possibilita a compatibilidade com outros sistemas já
existentes que usam CCK no preâmbulo e nos bits de informação útil, bem como
uma maior taxa de transmissão de dados (maior do que 20 Mbps).
|
|
As técnicas de modulação
buscam, atualmente, aumentar cada vez mais as taxas
de transmissão, utilizando uma menor banda de freqüência e com uma maior
segurança, para que não ocorra perda de informação durante a transmissão.
Cada técnica de modulação tem uma performance diferente de transmissão
apresentando boas performances em determinados parâmetros em detrimento de
perdas de performance em outros parâmetros.
Por exemplo, normalmente, aquelas técnicas
de modulação que permitem
maiores taxas de transmissão utilizam uma maior banda de freqüência, como no
caso da modulação OFDM que utiliza diversas portadoras, ou então
proporcionam menos segurança para a informação, pois apresentam uma
constelação com símbolos muito próximos entre si, com uma distância euclidiana
muito pequena, o que aumenta as possibilidades de erro de interpretação destes
símbolos no receptor.
Portanto, cada sistema de transmissão
utiliza técnicas de modulações que
apresentem melhores performances naqueles quesitos que são mais importantes
para ele. No caso dos sistemas de transição cujo meio de propagação é o ar, é
necessário, por exemplo, utilizar-se uma técnica de modulação que apresente boa
performance com relação a multiplos percursos, que proporcione proteção à
informação contra a escuta de pessoas não autorizadas, que tenha boa
imunidade a ruido entre outras coisas. Por isso, é comum utilizar-se a modulação
OFDM que atualmente apresenta melhores resultados nos quesitos acima.
Já no caso dos sistemas de transmissão
com fio, os parâmetros de maior
importância são outros e dependem também do tipo de informação que é mais
freqüentemente transmitido neste sistema. Para o caso de transmissão de voz,
são admitidas maiores perdas de informação sem que haja uma queda
considerável de qualidade de serviço do que no caso de transmissão de imagem,
por exemplo.
Portanto, devido à enorme variedade
de tipos de modulação, atualmente existem
modulações adequadas para qualquer tipo de serviço que se deseja
proporcionar. É apenas necessário que se faça uma análise adequada de cada
uma delas, para que se possa escolher aquela que proporciona melhores
resultados para o serviço em questão.
|
|
Communication Systems (4th edition) autor: Simon
Haykin Editora Wiley
Redes de Computadores (4ª edição) autor: Andrew S. Tanenbaum Editora
Campus
Principles of Wireless Communication
Paulo S. R. Diniz Sinal Processing
Laboratory
http://www.eet.com/in_focus/communications/OEG20020201S0035
http://ludo.ece.jcu.edu.au/subjects/ee3700/notes/EE3700DigitalCommSystems.pdf
http://www.gta.ufrj.br/seminarios/semin2003_1/aurelio/2-80211.htm
|
|
|
|
|
|